SW84直流接触器
产品介绍
Product introduction
SW84专为直流负载而设计,包括用于电动车辆(如工业卡车)以及电信和配电应用的电机。 针对中断和不间断负载而开发的 SW84适用于开关电阻,电容和电感负载 。
中断电流 - 开关频繁开关(导致接触电阻增加)。
不间断电流 - 无或不频繁的负载切换要求(保持较低的接触电阻)。
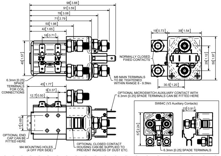
SW84的特点是单极双重断开主触点,银合金尖端,耐焊接,耐磨损,并具有优异的导电性。 SW84具有M8螺栓主端子和6.3mm的黑色线圈连接。 通过M4螺纹孔或安装支架进行安装,或者提供安装,或作为单独的物品。 安装可以是水平或垂直的,垂直时M8接触螺栓应该朝上。 如果要求向下定位,我们可以调整接触器来补偿这一点。




